Product Summary
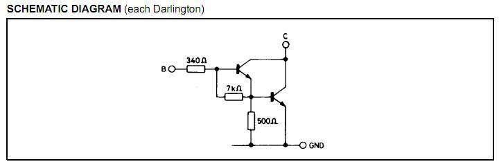
The L702B is a monolithic integrated circuit for high current and high voltage switching applications. It comprises four darlington transistors with common emitter and open collector suitable for current sinking applications mounted on the new POWERDIP and Multiwatt packages. This circuit L702B reduces components, sizes and costs; it can provide direct interface between low level logic and a variety of high current applications. It is ideal for driving solenoids, dc motors, stepper motors, relays, displays, etc.
Parametrics
L702B absplute maximum ratings: (1)VCEX, Collector-emitter Voltage (input open): 90 V; (2)Vi, Input Voltage: 30 V; (3)IC, Collector Current: 3 A; (4)Ptot, Total Power Dissipation: 4W; (5)Tstg, Storage Temperature: -55 to 150℃; (6)Tj, Operating Junction Temperature: -25 to 150℃.
Features
L702B features: (1)sustaining voltage: 70 V; (2)2 A output; (3)high current gain; (4)ideal for driving solenoids, dc motors, stepper motors, relays, displays, etc.
Diagrams

| Image | Part No | Mfg | Description | ![]() |
Pricing (USD) |
Quantity | ||||
|---|---|---|---|---|---|---|---|---|---|---|
![]() |
![]() L702B |
![]() STMicroelectronics |
![]() Transistors Darlington Quad NPN Array |
![]() Data Sheet |
![]() Negotiable |
|
||||
| Image | Part No | Mfg | Description | ![]() |
Pricing (USD) |
Quantity | ||||
![]() |
![]() L702B |
![]() STMicroelectronics |
![]() Transistors Darlington Quad NPN Array |
![]() Data Sheet |
![]() Negotiable |
|
||||
![]() |
![]() L702N |
![]() Other |
![]() |
![]() Data Sheet |
![]() Negotiable |
|
||||
(Hong Kong)









