Product Summary
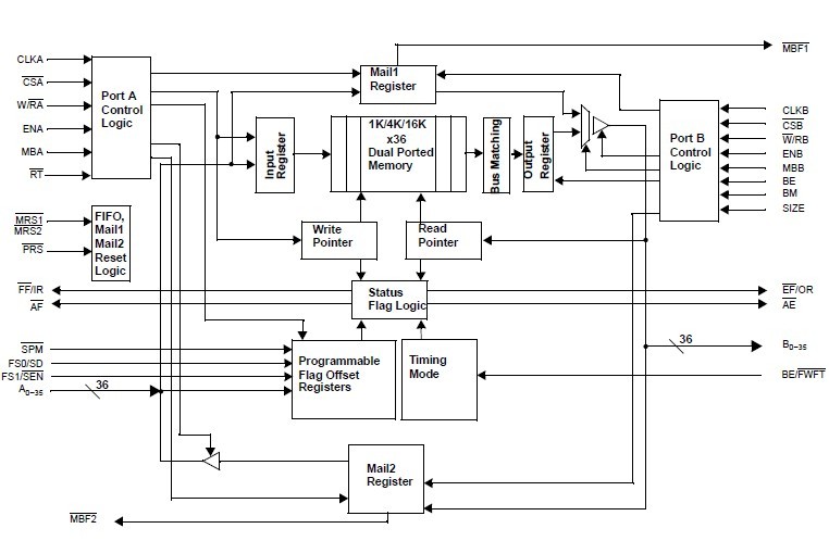
The CY7C43683-15AC is a monolithic, high-speed, low-power, CMOS Unidirectional Synchronous (clocked) FIFO memory which supports clock frequencies up to 133 MHz and has read access times as fast as 6 ns. Two independent 1K/4K/16K x 36 dual-port SRAM FIFOs on board each chip buffer data in opposite directions. The CY7C43683-15AC is a synchronous (clocked) FIFO, meaning each port employs a synchronous interface. All data transfers through a port are gated to the LOW-to-HIGH transition of a port clock by enable signals. The CY7C43683-15AC has two modes of operation: In the CY Standard Mode, the first word written to an empty FIFO is deposited into the memory array.
Parametrics
CY7C43683-15AC absolute maximum ratings: (1)Storage Temperature: –65℃ to +150℃; (2)Ambient Temperature with Power Applied: –55℃ to +125℃; (3)Supply Voltage to Ground Potential: –0.5V to +7.0V; (4)DC Voltage Applied to Outputs in High-Z State: –0.5V to VCC+0.5V; (5)DC Input Voltage: –0.5V to VCC+0.5V.
Features
CY7C43683-15AC features: (1)High-speed, low-power, Unidirectional, First-in, First-out(FIFO) memories w/bus matching capabilities; (2)1Kx36 (CY7C43643); (3)4Kx36 (CY7C43663); (4)16Kx36 (CY7C43683); (5)0.35-micron CMOS for optimum speed/power; (6)High-speed 133-MHz operation (7.5 ns read/write cycle times); (7)Fully asynchronous and simultaneous read and write operation permitted; (8)Mailbox bypass register for each FIFO; (9)Parallel and Serial Programmable Almost Full and Almost Empty flags; (10)Retransmit function; (11)Standard or FWFT mode user selectable; (12)Partial Reset; (13)Big or Little Endian format for word or byte bus sizes; (14)128-pin TQFP packaging; (15)Easily expandable in width and depth.
Diagrams

![]() |
![]() CY7C006 |
![]() Other |
![]() |
![]() Data Sheet |
![]() Negotiable |
|
||||||||||||
![]() |
![]() CY7C006A |
![]() Other |
![]() |
![]() Data Sheet |
![]() Negotiable |
|
||||||||||||
![]() |
![]() CY7C006A-15AXC |
![]() Cypress Semiconductor |
![]() SRAM 5V 16Kx8 COM Dual Port SRAM |
![]() Data Sheet |
![]() Negotiable |
|
||||||||||||
![]() |
![]() CY7C006A-15AXCT |
![]() Cypress Semiconductor |
![]() SRAM 5V 16Kx8 COM Dual Port SRAM |
![]() Data Sheet |
![]() Negotiable |
|
||||||||||||
![]() |
![]() CY7C006A-20AC |
![]() |
![]() IC SRAM 16KX8 DUAL 64LQFP |
![]() Data Sheet |
![]() Negotiable |
|
||||||||||||
![]() |
![]() CY7C006A-20AXC |
![]() Cypress Semiconductor |
![]() SRAM 5V 16Kx8 COM Dual Port SRAM |
![]() Data Sheet |
![]()
|
|
||||||||||||
(Hong Kong)










