Product Summary
The L80227/BI is an Ethernet Physical Layer Device (PHY). The device contains a single PHY channel. The convention used in this manual is that device refers to the IC, and channel refers to the PHY in the device. The L80227/BI is a highly-integrated analog interface IC for twisted-pair Ethernet applications and can be configured for either 100 Mbits/s (100BASE-TX) or 10 Mbits/s (10BASE-T) Ethernet operation.
Parametrics
L80227/BI absolute maximum ratings: (1)VDD Supply Voltage: -0.3V to +4.0V; (2)All Inputs and Outputs: -0.3V to 5.5VV; (3)Package Power Dissipation: 2.0W @ 70℃; (4)Storage Temperature: -65 to +150℃; (5)Temperature Under Bias: -10 to +80℃; (6)Commercial Temperature: -10 to +80℃; (7)Industrial Temperature: -40 to +85℃; (8)Lead Temperature (soldering, 10 sec): 260℃; (9)Body Temperature (soldering, 30 sec): 220℃.
Features
L80227/BI features: (1)Single-chip solution for a 10BASE-T/100BASE-TX PHY; (2)Dual speed: 10/100 Mbit/s; (3)Half-duplex or full-duplex operation; (4)MII interface to Ethernet MAC; (5)Management Interface (MI) for configuration and status; (6)AutoNegotiation for 10/100 Mbit/s, full/half duplex operation; (7)Auto Negotiation Advertisement control through pins; (8)All applicable IEEE 802.3, 10BASE-T and 100BASE-TX specifications are met; (9)On-chip wave shaping (no external filters required); (10)Adaptive equalizer for 100BASE-TX operation; (11)Baseline wander correction; (12)Minimum number of external components.
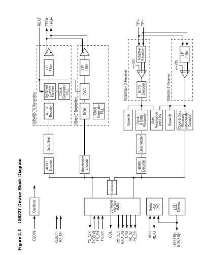
Diagrams

(Hong Kong)






