Product Summary
The XC5202 is a Field-Programmable Gate Array. Building on experiences gained with three previous successful SRAM FPGA families, the XC5202 brings a robust feature set to programmable logic design. The VersaBlock logic module, the VersaRing I/O interface, and a rich hierarchy of interconnect resources combine to enhance design flexibility and reduce time-to-market. Complete support for the XC5202 is delivered through the familiar Xilinx software environment. The device is fully supported on popular workstation and PC platforms. Popular design entry methods are fully supported, including ABEL, schematic capture, VHDL, and Verilog HDL synthesis. Designers utilizing logic synthesis can use their existing tools to design with the XC5202.
Parametrics
XC5202 absolute maixmum ratings: (1)VCC Supply voltage relative to GND: -0.5 to +7.0 V; (2)VIN Input voltage with respect to GND: -0.5 to VCC +0.5 V; (3)VTS Voltage applied to 3-state output: -0.5 to VCC +0.5 V; (4)TSTG Storage temperature (ambient): -65 to +150℃; (5)TSOL Maximum soldering temperature (10 s @ 1/16 in. = 1.5 mm): +260℃; (6)TJ Junction temperature in plastic packages: +125℃; (7)Junction temperature in ceramic packages: +150℃.
Features
XC5202 features: (1)System performance beyond 50 MHz; (2)6 levels of interconnect hierarchy; (3)VersaRing. I/O Interface for pin-locking; (4)Dedicated carry logic for high-speed arithmetic functions; (5)Cascade chain for wide input functions; (6)Built-in IEEE 1149.1 JTAG boundary scan test circuitry on all I/O pins; (7)Internal 3-state bussing capability; (8)Four dedicated low-skew clock or signal distribution nets.
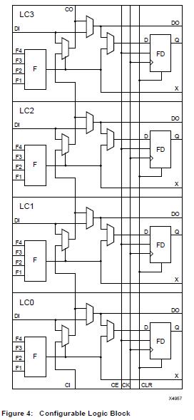
Diagrams

| Image | Part No | Mfg | Description | ![]() |
Pricing (USD) |
Quantity | ||||
|---|---|---|---|---|---|---|---|---|---|---|
![]() |
![]() XC5202-5PQ100C |
![]() |
![]() IC - FPGA SPEED GRADE 5 COM TEMP |
![]() Data Sheet |
![]() Negotiable |
|
||||
![]() |
![]() XC5202-6PC84C |
![]() |
![]() IC FPGA 64 CLB'S 84-PLCC |
![]() Data Sheet |
![]() Negotiable |
|
||||
![]() |
![]() XC5202-6PQ100C |
![]() |
![]() IC FPGA 64 CLB'S 100-PQFP |
![]() Data Sheet |
![]() Negotiable |
|
||||
(Hong Kong)









