Product Summary
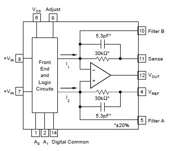
The PGA202KP is a monolithic instrumentation amplifier with digitally controlled gains of 1, 10, 100, and 1000. The PGA202KP has TTL or CMOS-compatible inputs for easy microprocessor interface. Both have FET inputs and a new transconductance circuitry that keeps the bandwidth nearly constant with gain. Gain and offsets of PGA202KP are laser trimmed to allow use without any external components. Both amplifiers are available in ceramic or plastic packages. The ceramic package of PGA202KP is specified over the full industrial temperature range while the plastic package covers the commercial range.
Parametrics
PGA202KP absolute maximum ratings: (1)Supply Voltage: ±18V; (2)Internal Power Dissipation: 750mW; (3)Analog and Digital Inputs: ±(VCC + 0.5V); (4)Operating Temperature Range, G Package: 55 to +125℃; (5)Operating Temperature Range, P Package: 40 to +100℃; (6)Lead Temperature (soldering, 10s): 300℃; (7)Junction Temperature: 175℃.
Features
PGA202KP features: (1)digitally programmable gains: DECADE MODEL-PGA202; (2)low bias current: 50pA max; (3)FAST SETTLING: 2s to 0.01%; (4)low non-linearity: 0.012% max; (5)high CMRR: 80dB min; (6)new transconductance circuitry; (7)low cost.
Diagrams

| Image | Part No | Mfg | Description | ![]() |
Pricing (USD) |
Quantity | ||||||||||||
|---|---|---|---|---|---|---|---|---|---|---|---|---|---|---|---|---|---|---|
![]() |
![]() PGA202KP |
![]() Texas Instruments |
![]() Instrumentation Amplifiers Digitally Controlled Programmable-Gain |
![]() Data Sheet |
![]()
|
|
||||||||||||
![]() |
![]() PGA202KPG4 |
![]() Texas Instruments |
![]() Instrumentation Amplifiers Dig Cntrld Program Gain Instrum Amp |
![]() Data Sheet |
![]()
|
|
||||||||||||
(Hong Kong)









